Im Sprachgebrauch werden die Container der Baureihe CE.A1 je nach Größe und Anwendung auch als Sackschütte, Tagessilo oder Materialbunker bezeichnet.
Sie eignen sich zum Entleeren von handelsüblichen 25-kg-Säcken. Die Befüllung kann aber auch mit einem aufgesetzten Saugfördergerät erfolgen. Hierzu bieten wir einen entsprechenden Deckel mit Adapterplatten für die Saugfördergeräte führender Hersteller von zentralen Materialfördersystemen an. Es stehen Größen von 300 l bis 4800 l zur Auswahl. Jede Größe wird aus Aluminium und Edelstahl angeboten.
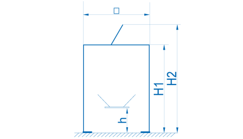
Alle Container haben eine Öffnung für einen MIN-Melder im Trichter. Bei Größen ab 1000 l ist eine Öffnung für einen MAX-Melder und eine Inspektionsöffnung in der Behälterwand vorhanden. Die Füße der Container bis einschließlich 750 l sind in der Höhe verstellbar. Der klappbare Deckel kann mit einer Deckelverriegelung (elektro-mechanische Zuhaltung) ausgestattet werden, die in Verbindung mit einer Barcodeerkennung eine falsche Befüllung ausschließen kann.
Zur Produktentnahme bieten wir unterschiedliche Absaugkästen mit Absaugstutzen, passend zu Fördersystemen mit Rohrdurchmessern von 38–84 mm, an. Damit schaffen wir die Schnittstelle zu allen Herstellern von Materialfördersystemen.




| V | □ | H1 | H2 | h* | |
|---|---|---|---|---|---|
| CE.A1.0300.1000.0800.90.02.AL | 300 l | 800 x 1000 | 890 | 1325 | 200 |
| CE.A1.0400.1000.1000.90.02.AL | 400 l | 1000 | 920 | 1355 | 200 |
| CE.A1.0500.1000.1000.90.02.AL | 500 l | 1000 | 1005 | 1440 | 200 |
| CE.A1.0500.1200.1200.90.02.AL | 500 l | 1200 | 960 | 1395 | 200 |
| CE.A1.0750.1200.1200.90.02.AL | 750 l | 1200 | 1110 | 1645 | 200 |
| V | □ | H1 | H2 | h* | |
|---|---|---|---|---|---|
| CE.A1.0300.1000.0800.90.01.CR | 300 l | 800 x 1000 | 890 | 1325 | 200 |
| CE.A1.0400.1000.1000.90.01.CR | 400 l | 1000 | 920 | 1355 | 200 |
| CE.A1.0500.1000.1000.90.01.CR | 500 l | 1000 | 1005 | 1440 | 200 |
| CE.A1.0500.1200.1200.90.01.CR | 500 l | 1200 | 960 | 1395 | 200 |
| CE.A1.0750.1200.1200.90.01.CR | 750 l | 1200 | 1110 | 1645 | 200 |
*verstellbar auf 200, 300 oder 400 mm


| Containerbreite | |
|---|---|
| CE.Z.ROST.0800.CR | 800 |
| CE.Z.ROST.1000.CR | 1000 |
| CE.Z.ROST.1200.CR | 1200 |

| ↯ | |
|---|---|
| CE.Z.VERRIEGELUNG.01 | 24 V (DC) |

| Anschlussgröße | |
|---|---|
| CE.Z.ADAPT.SFG.XXX.XXX.CR | Øi max. 366 mm; LKD max. 386 mm |

| □ | V | |
|---|---|---|
| CE.Z.KUFEN.1000.VAR | 1000 | 400–500 l |
| CE.Z.KUFEN.1200.VAR | 1200 | 500–750 l |

| h | |
|---|---|
| CE.Z.ROLLEN | 155 |
| V | □ | H1 | H2 | h | |
|---|---|---|---|---|---|
| CE.A1.1000.1200.1200.90.02.AL | 1000 l | 1200 | 1510 | 2045 | 400 |
| CE.A1.1500.1200.1200.90.02.AL | 1500 l | 1200 | 1860 | 2395 | 400 |
| CE.A1.2000.1200.1200.90.02.AL | 2000 l | 1200 | 2210 | 2745 | 400 |
| CE.A1.2000.1500.1500.90.02.AL | 2000 l | 1500 | 1800 | 2335 | 400 |
| CE.A1.2500.1500.1500.90.02.AL | 2500 l | 1500 | 2020 | 2555 | 400 |
| CE.A1.3000.1500.1500.90.02.AL | 3000 l | 1500 | 2270 | 2805 | 400 |
| CE.A1.4000.1500.1500.90.02.AL | 4000 l | 1500 | 2720 | 3255 | 400 |
| CE.A1.4800.1500.1500.90.02.AL | 4800 l | 1500 | 3070 | 3605 | 400 |
| V | □ | H1 | H2 | h | |
|---|---|---|---|---|---|
| CE.A1.1000.1200.1200.90.01.CR | 1000 l | 1200 | 1510 | 2045 | 400 |
| CE.A1.1500.1200.1200.90.01.CR | 1500 l | 1200 | 1860 | 2395 | 400 |
| CE.A1.2000.1200.1200.90.01.CR | 2000 l | 1200 | 2210 | 2745 | 400 |
| CE.A1.2000.1500.1500.90.01.CR | 2000 l | 1500 | 1800 | 2335 | 400 |
| CE.A1.2500.1500.1500.90.01.CR | 2500 l | 1500 | 2020 | 2555 | 400 |
| CE.A1.3000.1500.1500.90.01.CR | 3000 l | 1500 | 2270 | 2805 | 400 |
| CE.A1.4000.1500.1500.90.01.CR | 4000 l | 1500 | 2720 | 3255 | 400 |
| CE.A1.4800.1500.1500.90.01.CR | 4800 l | 1500 | 3070 | 3605 | 400 |


| Containerbreite | |
|---|---|
| CE.Z.ROST.1200.CR | 1200 |
| CE.Z.ROST.1500.CR | 1500 |

| ↯ | |
|---|---|
| CE.Z.VERRIEGELUNG.01 | 24 V (DC) |

| Anschlussgröße | |
|---|---|
| CE.Z.ADAPT.SFG.XXX.XXX.CR | Øi max. 366 mm; LKD max. 386 mm |

| □ | V | |
|---|---|---|
| CE.Z.KUFEN.1200.FEST | 1200 | 1000–2000 l |
| CE.Z.KUFEN.1500.FEST | 1500 | 2000–3000 l |

| Absaugstellen | |
|---|---|
| ASK.CE.1 | 1 |

| Absaugstellen | |
|---|---|
| ASK.CE.2 | 2 |

| Absaugstellen | |
|---|---|
| ASK.CE.4 | 2 / 2 |

| CE.Z.SCH.100.01 |

| Absaugstellen | |
|---|---|
| ASK.SL.B.04 + ASK.SL.A.CE | 4 |

| Absaugstellen | |
|---|---|
| ASK.SL.B.06 + ASK.SL.A.CE | 6 |

| Ø | |
|---|---|
| ASK.SL.C.038.SIEB | 38 |
| ASK.SL.C.040.SIEB | 40 |
| ASK.SL.C.045.SIEB | 44.5 |
| ASK.SL.C.050.SIEB | 50 |
| ASK.SL.C.054.SIEB | 54 |
| ASK.SL.C.060.SIEB | 60.3 |
| ASK.SL.C.065.SIEB | 65 |
| ASK.SL.C.070.SIEB | 70 |
| ASK.SL.C.076.SIEB | 76.1 |
| ASK.SL.C.084.SIEB | 84 |

| Ø | |
|---|---|
| ASK.SL.Z.FILT.050 | 50 |
| ASK.SL.Z.FILT.060 | 60.3 |

| CE.Z.ADAPT.ASK.CR.CR |

| ↯ | |
|---|---|
| CE.Z.LEUCHTE.01.230V | 230 V (50 Hz) |
| CE.Z.LEUCHTE.01.024V | 24 V DC |
| ↯ | |
|---|---|
| CE.Z.LEUCHTE.02.230V | 230 V (50 Hz) |
| CE.Z.LEUCHTE.02.024V | 24 V DC |

| ↯ | |
|---|---|
| FÜ.MIN.4020.0170.01 | 24V (DC) + 230 V (50Hz) |

| Größe | |
|---|---|
| CE.Z.GM.10.CR | 1” |
| CE.Z.GM.15.CR | 1 1/2” |
| Größe | |
|---|---|
| CE.Z.GM.M30.1.5.CR | M30 x 1.5 |
| CE.Z.GM.M32.1.5.CR | M32 x 1.5 |

| Nutzlast (kg) | Analogausgang | 4 digitale Ein-/Ausgänge | |
|---|---|---|---|
| FÜ.WS.CE.01300.01 | 1300 | nein | nein |
| FÜ.WS.CE.01300.11 | 1300 | ja | ja |
| FÜ.WS.CE.05000.01 | 5000 | nein | nein |
| FÜ.WS.CE.05000.11 | 5000 | ja | ja |

Für unseren Web-Auftritt nutzen wir Dienste von Unternehmen, die entweder selbst ihren Sitz in den USA haben oder als Tochterunternehmen mit US-Konzernen verbunden sind. Im Einzelnen geht es um die Übermittlung der Daten, die Ihr Browser an unseren Server übermittelt (Ziffer 2.1.1 unserer Datenschutzerklärung). Diese Daten werden bei Nutzung des folgenden Dienstes übermittelt an die Google LLC mit Sitz in Mountain View, Kalifornien, Vereinigte Staaten.
Für die USA ist kein Datenschutzniveau festgestellt, das dem Niveau in der Europäischen Union entsprechen würde und es gibt auch keine geeigneten Garantien für den Schutz Ihrer Daten. Inwieweit Sie Ihre Datenschutzrechte als Betroffener geltend machen können, welche staatlichen Behörden auf Ihre Daten zugreifen, etwa Geheimdienste, und welche Unternehmen Ihre Daten erhalten können, richtet sich nach dem jeweiligen US-Recht.
Deshalb übermitteln wir Ihre Browserdaten an US-Unternehmen nur, wenn Sie dazu ein-gewilligt haben. Sie können Ihre Einwilligung jederzeit mit Wirkung für die Zukunft wider-rufen, indem Sie die Nutzung des Dienstes beenden.