BigBags

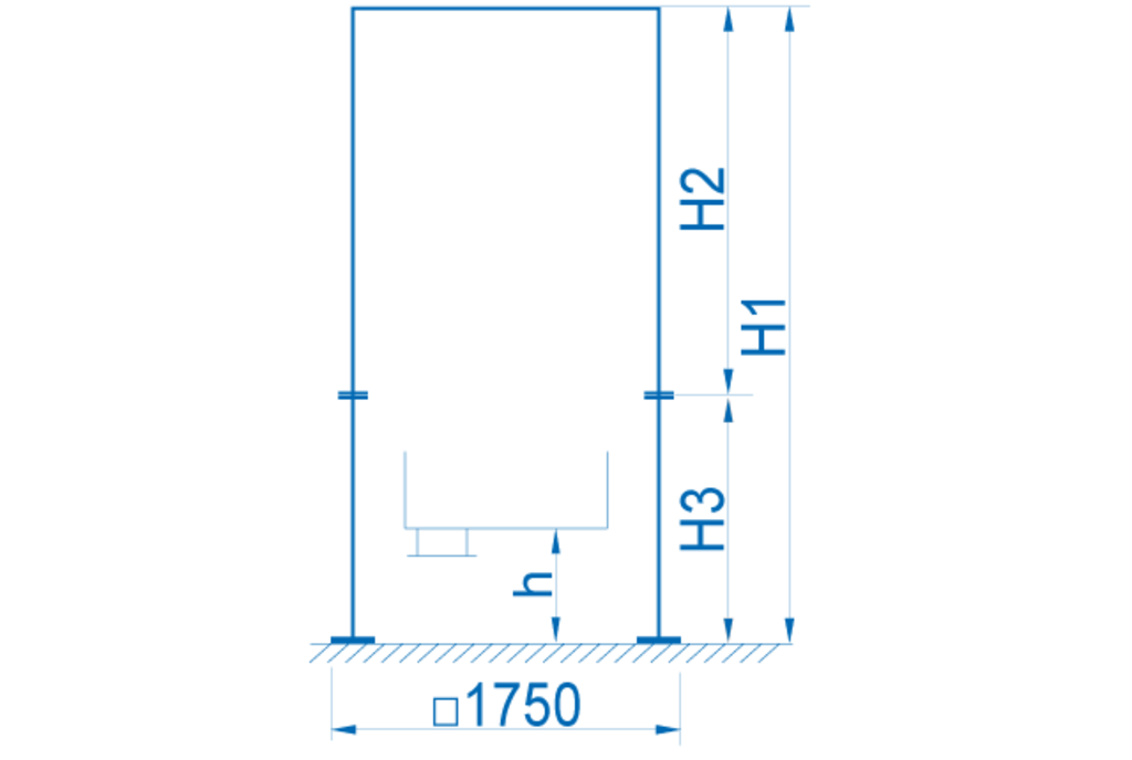
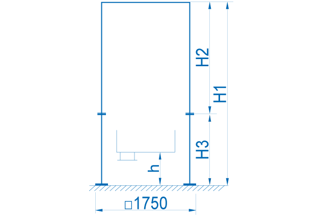
BIGBAG-ENTLEERUNG für PET-Flakes − DN200/DN250 − 450 l

Diese BigBag-Entleerstation wurde speziell für das Lagern und Austragen von PET-Flakes konstruiert. Der BigBag wird mit einem Elektro-Kettenzug komfortabel eingehängt. Eine Walkeinrichtung lockert die PET-Flakes durch die Walkbewegungen auf und sorgt für den störungsfreien Austrag aus dem BigBag. Am Flachboden des Behälters räumt und dosiert ein Rührwerk die PET-Flakes in die Auslauföffnung.

Im Bereich der bewegten Teile liefern wir auf Wunsch eine Sicherheitseinrichtung (Schutzzaun mit Lichtvorhang). Wir fertigen für Sie gerne die passende SPS-Steuerung mit einer Schnittstelle zur übergeordneten Anlagensteuerung.

450 l − Entleerung mit Rührwerk

BigBag-Entleerung 450 l
  • stabile Stahlkonstruktion (RAL9005 Tiefschwarz)
  • Elektro-Kettenzug (RAL5009 Azurblau) mit Hebekreuz (RAL1003 Signalgelb); max. Traglast 2000 kg, Hakenweg 5 m
  • Einlaufkragen Ø 450 mm
  • Öffnungen mit Platte verschlossen:
    1 x Ø 55 mm (für den Anschluss einer Gewindemuffe für Melder)
    1 x Ø 100 mm (für den Anschluss eines Filters)
  • Gewindemuffe 1 ½“ für Melder, seitlich am Behälter (verschlossen)
  • Walkeinrichtung zur Austragsunterstützung am BigBag (mit Wartungseinheit und Druckregler, Magnetventil 24 V zur Austragsregelung)
  • Rührwerks-Austragung (Motor 400 V; 50 Hz); 1.1 kW; 14 U/min; RAL9005 (Tiefschwarz); Auslauf Ø 250

                    Detail: Behälter mit Rührwerk

OPTIONEN

Sicherheitseinrichtung
  • Schutzzaun an 3 Seiten (RAL7035 / RAL9005)
  • Lichtvorhang an der Bedienerseite
 
BB.CR.WALK.PROTECT 24 V DC
Absaugkasten für Rührwerksaustragung
  • 1 x Führungsrohr für Sauglanze Øi 102 mm
  • Sterngriffschraube zur Feststellung der Sauglanze
  Ø
AUS.RWE.Z.ASK.01 DN250
Auslaufrohr für Rührwerk
  Ø L
AUS.RWE.Z.ROHR.200.240 DN200 240
AUS.RWE.Z.ROHR.250.240 DN250 240
AUS.RWE.Z.ROHR.250.470 DN250 470
  Ø L
AUS.RWE.Z.FLEX.ZRS DN250 500
Zellenradschleuse
   
ZRS.01.200.XX.FU.AL