Diese BigBag-Entleerstation ist ausschließlich für gut rieselfähiges Granulat geeignet. Der BigBag kann mit einem Stapler oder einem Elektro-Kettenzug komfortabel eingehängt werden. Der Behälter mit 1000 l Inhalt ist großzügig dimensioniert.
Die Produktentnahme kann durch Absaugen (Vakuumförderung) oder Druckförderung erfolgen. Für das Absaugen stehen unterschiedliche Absaugkästen zur Auswahl, die sich durch die Größe und die Anzahl der Absaugstellen unterscheiden. Zudem sind auch drei Absaugstellen seitlich am Behälter vorbereitet. Die entsprechenden Absaugrohre sind als Option erhältlich.
Für die Variante mit Auslauf DN200 ist der Anschluss einer Zellenradschleuse für eine Druckförderung vorgesehen. Die Förderleistung kann ca. 3−6 to/h betragen. Die Behälter sind aus Aluminium oder Edelstahl erhältlich.


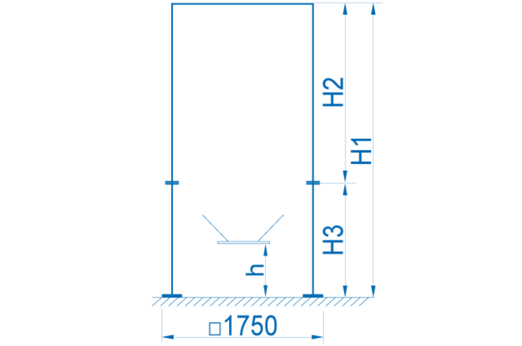
| H1 | H2 | H3 | Höhe BigBag | h | Material Behälter | |
|---|---|---|---|---|---|---|
| BB.CE.1000.90.100.003.17.S15.AL | 4450 | 2700 | 1750 | 1500 | 200 | Aluminium |
| BB.CE.1000.90.100.003.17.S15.CR | 4450 | 2700 | 1750 | 1500 | 200 | Edelstahl |
| BB.CE.1000.90.100.003.17.S20.AL | 4950 | 3200 | 1750 | 2000 | 200 | Aluminium |
| BB.CE.1000.90.100.003.17.S20.CR | 4950 | 3200 | 1750 | 2000 | 200 | Edelstahl |
| BB.CE.1000.90.100.003.20.S15.AL | 4700 | 2700 | 2000 | 1500 | 450 | Aluminium |
| BB.CE.1000.90.100.003.20.S15.CR | 4700 | 2700 | 2000 | 1500 | 450 | Edelstahl |
| BB.CE.1000.90.100.003.20.S20.AL | 5200 | 3200 | 2000 | 2000 | 450 | Aluminium |
| BB.CE.1000.90.100.003.20.S20.CR | 5200 | 3200 | 2000 | 2000 | 450 | Edelstahl |
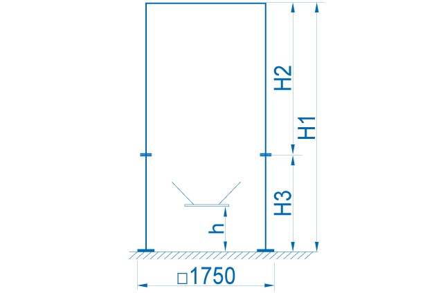
| H1 | H2 | H3 | Höhe BigBag | h | Material Behälter | |
|---|---|---|---|---|---|---|
| BB.CE.1000.90.100.003.17.K15.AL | 4950 | 3200 | 1750 | 1500 | 200 | Aluminium |
| BB.CE.1000.90.100.003.17.K15.CR | 4950 | 3200 | 1750 | 1500 | 200 | Edelstahl |
| BB.CE.1000.90.100.003.17.K20.AL | 5450 | 3700 | 1750 | 2000 | 200 | Aluminium |
| BB.CE.1000.90.100.003.17.K20.CR | 5450 | 3700 | 1750 | 2000 | 200 | Edelstahl |
| BB.CE.1000.90.100.003.20.K15.AL | 5200 | 3200 | 2000 | 1500 | 450 | Aluminium |
| BB.CE.1000.90.100.003.20.K15.CR | 5200 | 3200 | 2000 | 1500 | 450 | Edelstahl |
| BB.CE.1000.90.100.003.20.K20.AL | 5700 | 3700 | 2000 | 2000 | 450 | Aluminium |
| BB.CE.1000.90.100.003.20.K20.CR | 5700 | 3700 | 2000 | 2000 | 450 | Edelstahl |
| Øi | ||
|---|---|---|
| BB.CE.FSGL.90.089.CR | Führungsrohr | 82 |
| BB.CE.FSGL.DECKEL.089.CR | Deckel mit Drahtseil | --- |
| BB.CE.FSGL.90.108.CR | Führungsrohr | 102 |
| BB.CE.FSGL.DECKEL.108.CR | Deckel mit Drahtseil | --- |

Führungsrohr Deckel
| H1 | H2 | H3 | Höhe BigBag | h | Material Behälter | |
|---|---|---|---|---|---|---|
| BB.CE.1000.90.200.000.20.K15.AL | 5200 | 3200 | 2000 | 1500 | 450 | Aluminium |
| BB.CE.1000.90.200.000.20.K15.CR | 5200 | 3200 | 2000 | 1500 | 450 | Edelstahl |
| BB.CE.1000.90.200.000.20.K20.AL | 5700 | 3700 | 2000 | 2000 | 450 | Aluminium |
| BB.CE.1000.90.200.000.20.K20.CR | 5700 | 3700 | 2000 | 2000 | 450 | Edelstahl |
| BB.CE.1000.90.200.000.22.K15.AL | 5450 | 3200 | 2250 | 1500 | 700 | Aluminium |
| BB.CE.1000.90.200.000.22.K15.CR | 5450 | 3200 | 2250 | 1500 | 700 | Edelstahl |
| BB.CE.1000.90.200.000.22.K20.AL | 5950 | 3700 | 2250 | 2000 | 700 | Aluminium |
| BB.CE.1000.90.200.000.22.K20.CR | 5950 | 3700 | 2250 | 2000 | 700 | Edelstahl |
Für unseren Web-Auftritt nutzen wir Dienste von Unternehmen, die entweder selbst ihren Sitz in den USA haben oder als Tochterunternehmen mit US-Konzernen verbunden sind. Im Einzelnen geht es um die Übermittlung der Daten, die Ihr Browser an unseren Server übermittelt (Ziffer 2.1.1 unserer Datenschutzerklärung). Diese Daten werden bei Nutzung des folgenden Dienstes übermittelt an die Google LLC mit Sitz in Mountain View, Kalifornien, Vereinigte Staaten.
Für die USA ist kein Datenschutzniveau festgestellt, das dem Niveau in der Europäischen Union entsprechen würde und es gibt auch keine geeigneten Garantien für den Schutz Ihrer Daten. Inwieweit Sie Ihre Datenschutzrechte als Betroffener geltend machen können, welche staatlichen Behörden auf Ihre Daten zugreifen, etwa Geheimdienste, und welche Unternehmen Ihre Daten erhalten können, richtet sich nach dem jeweiligen US-Recht.
Deshalb übermitteln wir Ihre Browserdaten an US-Unternehmen nur, wenn Sie dazu ein-gewilligt haben. Sie können Ihre Einwilligung jederzeit mit Wirkung für die Zukunft wider-rufen, indem Sie die Nutzung des Dienstes beenden.